BRAUN
regie 550 d

Klacht:
- Tijdens radio luisteren doet het linker kanaal bijna niks. Via AUX of Phono wel geluid.
- Display geeft doorlopend een andere waarde aan.

Diagnose:
- Op basis van het schema het signaal terug kunnen meten en de boosdoener van de radio weergave gevonden. Een defecte ROE koppel condensator.
- De versterker zit vol met deze condensatoren die in de meeste gevallen als koppelcondensator zijn ingezet.
- Potmeters zijn erg vervuild.
- Voedingscondensatoren doorgemeten.
- Relais uitgeslodeerd en schoongemaakt.
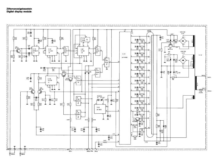
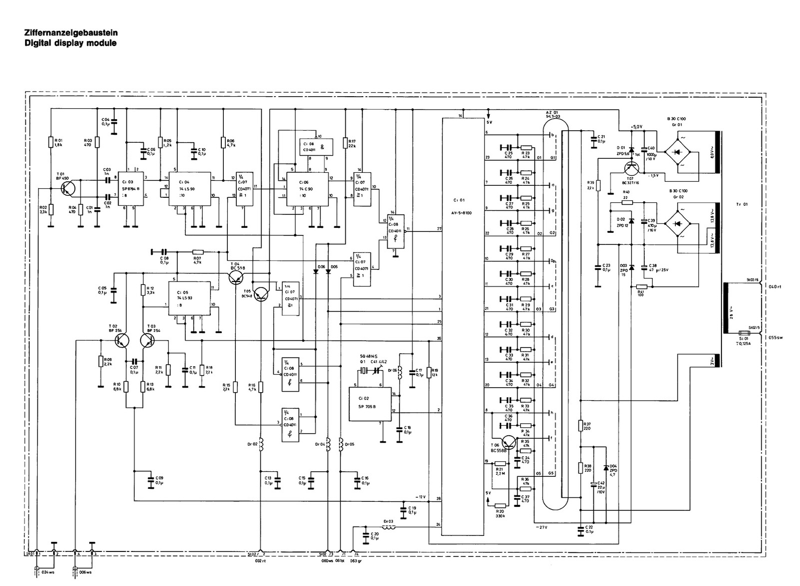
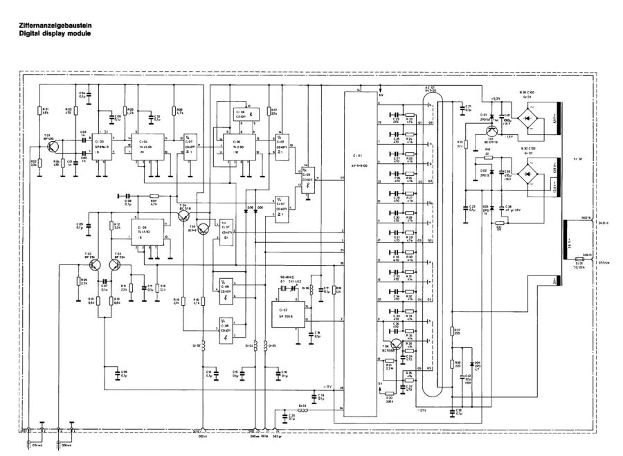
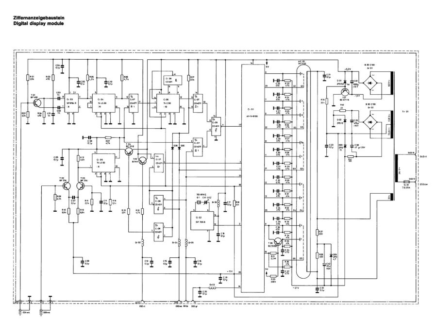
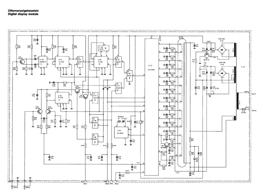
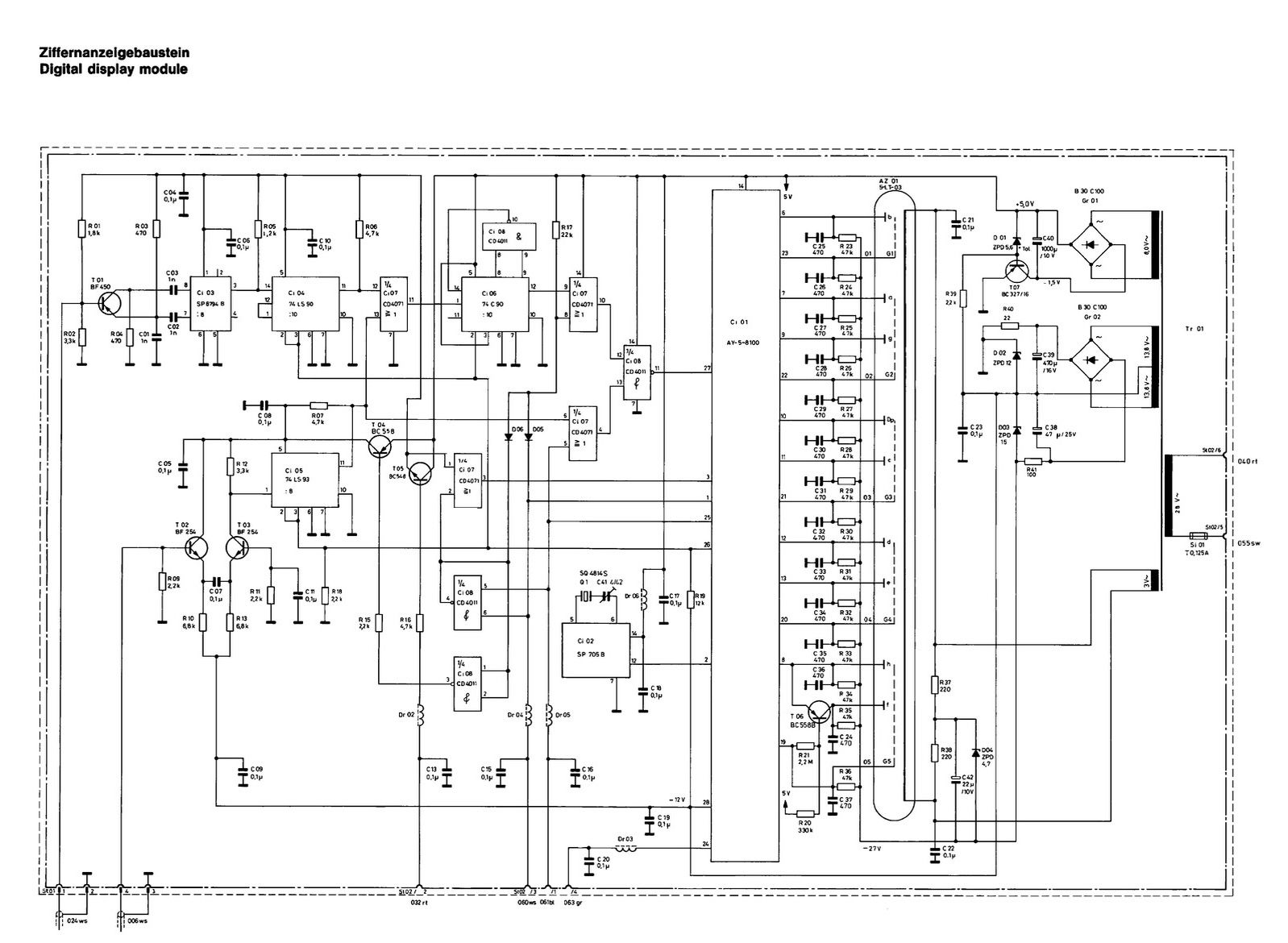
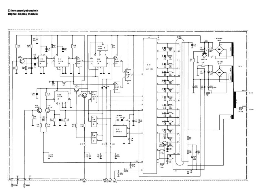
- Display unit is een aparte metalen behuizing met daarin alle onderdelen om de frequentie digitaal weer te geven.
- Dit wordt gedaan met het IC AY-5-8100. De condensatoren C38 en C40 bleken slecht te zijn en vrijwel geen capaciteit meer te hebben.


Reparatie:
- Alle ROE condensatoren vervangen voor Wima of Panasonic. (bijna 30 stuks!)
- Potmeters gereinigd met Deoxid
- Relais gereinigd.
- Schakelaars gesmeerd zodat ze weer goed schakelen.
- Display gerepareerd door de condensatoren C38 (47uF) en C40 (1000uF) te vervangen. Hiertoe moet de dichtgesoldeerde metalen behuizing worden losgesoldeerd.

























































































