AKAI
AM-2600

Klacht:
Versterker gaat aan, lampjes branden, opgenomen vermogen is met 20 watt prima. Helaas schakelt het relais niet in.

Diagnose:
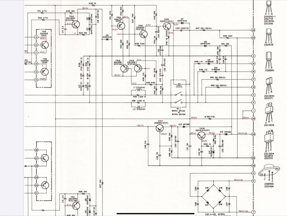
- Het niet inschakelen van het relais kan meerdere oorzaken hebben. - DC op de luidsprekeruitgang, - Kortsluiting van de eindversterker, - defect relais, - aansturing relais defect.
- DC en kortslkuiting nagemeten. Dit is niet aan de orde. DC is nog geen 10mV.
- Voedingsspanning op TR17 en Tr18 nagemeten. Geen afwijkling.
- Relais uitgesoldeerd en nagemeten. Werkt goed. Contacten wel direct schoongemaakt.
- Aansturing lijkt het probleem. De condensator C20 van 220uF uitgesoldeerd en nagemeten. Na een kleine 50 jaar meet deze nog perfect in capaciteit en ESR.
- Overige condensatoren nagemeten. Ook deze meten nog perfect.
- Transistoren TR10 t/m TR16 uitgesoldeerd en nagemeten met PEAK transistortester. Hier kwamen wat minder goede waardes tevoorschijn. Tr10 en TR11 (2SC1940) vervangen.
- Diodes nagemeten en als laatste zelfs de weerstanden. Vreemgenoeg meten deze ook allemaal goed.
- HELP!!! Wat is de oorzaak van dit rare probleem?


Reparatie:
- Ondanks de prachtige meetwaarden van de condensatoren heb ik besloten deze toch maar te vervangen. En ... Het relais schakelt weer in en het probleem is opgelost.
- De condensatoren blijken dus niet meer juist te werken als ze onder spanning worden gezet.
- Na veel meten, zoeken, testen, nadenken, nog een keer testen en meten bleek het probleem dus defecte condensatoren.
- Schakelkaars en potmeters gereinigd.
- Versterker uitvoerig getest en het relais komt nu netjes na enkele seconden in.
Eindoordeel:
Deze prachtige Akai versterker heeft mij wat hoofdpijn opgeleverd. Als je alles hebt nagemeten en geen defecten kan vinden wordt een reparatie wel erg moeilijk.
Gelukkig is deze mooie zwarte AM-2600 versterker weer werkende en kan hij weer in gebruijk genomen worden.
Inmiddels staat deze lastige dame weer enkele dagen te spelen en klinkt ze bekend. Wat heeft Akai toch prachtige versterkers gemaakt. EEn genot om naar te luisteren.

Akai AM 2600 Versterker Relais Probleem 1

Akai AM 2600 Versterker Relais Probleem 2

Akai AM 2600 Versterker Relais Probleem 3

Akai AM 2600 Versterker Relais Probleem 4

Akai AM 2600 Versterker Relais Probleem 5

Akai AM 2600 Versterker Relais Probleem 6

Akai AM 2600 Versterker Relais Probleem 7

Akai AM 2600 Versterker Relais Probleem 8

Akai AM 2600 Versterker Relais Probleem 9

Akai AM 2600 Versterker Relais Probleem 10

Akai AM 2600 Versterker Relais Probleem 100

Akai AM 2600 Versterker Relais Probleem 11

Akai AM 2600 Versterker Relais Probleem 101

Akai AM 2600 Versterker Relais Probleem 12

Akai AM 2600 Versterker Relais Probleem 13

Akai AM 2600 Versterker Relais Probleem 14

Akai AM 2600 Versterker Relais Probleem 15

Akai AM 2600 Versterker Relais Probleem 16





































