LUXMAN
L-4

Klacht:
Prachtige, vrijwel onbeschadigde Luxman L-4 versterker uit 1979 -1981. Helaas heeft één kanaal wat kuren en kraken alle schakelaars en potmeters.

Diagnose:
- Transformator moet omgezet worden van 220V naar 240V.
- Gehele versterker moet gereinigd worden.
- Phono voorversterker werkt maar op één kanaal.
- Luidspreker relais moet gereinigd worden.
- De koppelcondensatoren zijn versleten. De meetwaarden lopen op tot 100% afwijking.
- De standaard elco's zijn nog van perfecte kwaliteit. Lage ESR en hele mooie capacitiet.
- De twee voedings condensatoren zijn aan vervanging toe.
- De luidspreker aansluitingen zijn niet zo praktisch. Daarom één set ombouwen naar banaan pluggen.


Reparatie:
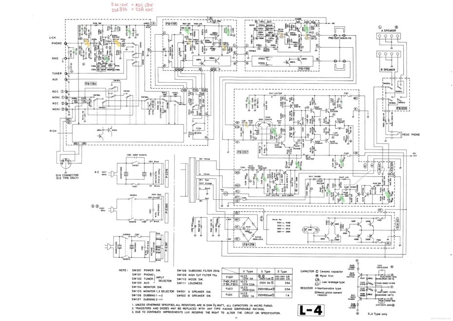
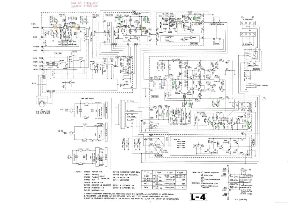
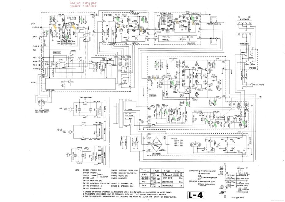
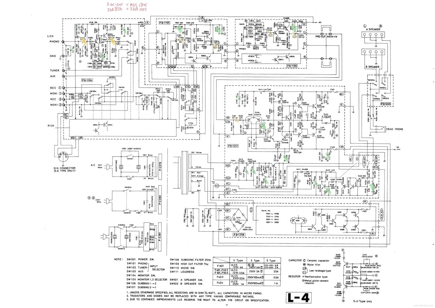
- Koppelcondensatoren vervangen met WIMA. Zie schema, geel gearceerd.
- Twee grote voedings condensatoren zouden 10.000uF moeten zijn maar daar is nog minder dan de helft van over. Deze vervangen door ELNA elco's.
- Na de reiniging van de potmeters, schakelaars en het relais bleek het "defecte" kanaal het weer te doen.
- Phono voorversterker voorzien van nieuwe transistoren. 2SC1345 vervangen met KSC1845 en de 2SA836 vervangen met 2SA1015.
- VR401 en VR501 instelpotmeters vervangen door meerslagen versie. Bias instelling hierdoor veel makkelijker in te stellen.
Transformator aanpassing
220 volt naar 240 volt ombouw:
- Rode draad voor 240V aansluiting strippen.
Transformator aanpassing
220 volt naar 240 volt ombouw:
- Oranje draad lossolderen en voorzien van krimpkous ter isolatie.
- Rode draad vastsolderen op de oude plaats van de oranje draad.
Luidspreker aansluitingen
De nieuwe banaan luidspreker chassisdelen passen perfect in de oude behuizing.
Eindoordeel:
De Luxman L-4 is een compacte versterker welke geproduceerd is tussen 1979 en 1981. Passend in de lijn met de L-2, L-3 en L-5.
Met bijna 10kg is het geen lichte jongen. Een grote en zware transformator en twee overbemeten koelprofielen zorgen voor dit gewicht. Tevens is ook op de behuizing niet bespaard. Hoogwaardig metaal en een dikke aluminium front.

Hoe klinkt deze Luxman L-4?
Nadat deze Luxman onderhanden was genomen kon het grote luisteren weer beginnen. Om de platenspeler en streamer aan te kunnen sluiten moet de versterker even op zijn zijkant gezet worden. De tulpaansluitingen zitten namelijk onder de versterker. Dankzij de twee paar nieuwe luidspreker-chassisdelen sluit je de banaanstekkers eenvoudig aan.

Eerst maar even een mooie LP beluisteren. Welke zal ik er eens op leggen. Recent gekregen stond daar een voor mij onbekende plaat van de band "SOLUTION". De lp heeft de heerlijke naam "Gordon Bleu". De hoes toont op de achterkant de vier leden van deze band. De vier leden zijn zo nonchalant mogelijk geportretteerd. Gehuld in de jaren 70 zo typerende kleding met bijbehorende sigaret ogen ze bijzonder relaxed. Na wat onderzoek blijkt dit een Groningse band te zijn die van 1970 tot 1983 heeft bestaan. De lp hoes is niet meer in al te beste conditie en ik verwacht dan ook een wat geleefde lp te moeten beluisteren.
Wonder boven wonder is deze oude lp nog in prima conditie en op wat kraaktjes na klinkt hij best goed. Wat zeg ik, ik sta versteld van de weergave. Alles lijkt op elkaar afgestemd te zijn. Een LP uit 1975, een versterker uit 1980 en twee Driade luidsprekers uit 1988. Heerlijke gitaarmuziek, mooie hammondorgel, blazers. Alles klinkt heerlijk in balans. Geen overdreven bassen of schel hoog. Van SOLUTION ga ik over op mijn favoriete (test) lp. Dit is EYE IN THE SKY van The Alan Parsons Project. Een pareltje met nog maar weinig speeluren achter de rug. Ook nu zorgt de Luxman voor een perfecte weergave.

Vergelijk

Luxman L 4 Beauty 1

Luxman L 4 Beauty 2

Luxman L 4 Beauty 3

Luxman L 4 Beauty 4

Luxman L 4 Beauty 5

Luxman L 4 Beauty 6

Luxman L 4 Beauty 7

Luxman L 4 Beauty 8

Luxman L 4 Beauty 9

Luxman L 4 Beauty 10

Luxman L 4 Beauty 11

Luxman L 4 Beauty 12

Luxman L 4 Repair Recap 1

Luxman L 4 Repair Recap 2

Luxman L 4 Repair Recap 3

Luxman L 4 Repair Recap 4

Luxman L 4 Repair Recap 5

Luxman L 4 Repair Recap 6

Luxman L 4 Repair Recap 7

Luxman L 4 Repair Recap 8

Luxman L 4 Repair Recap 9

Luxman L 4 Repair Recap 10

Luxman L 4 Repair Recap 11

Luxman L 4 Repair Recap 12

Luxman L 4 Repair Recap 13

Luxman L 4 Repair Recap 14

Luxman L 4 Repair Recap 15

Luxman L 4 Repair Recap 16

Luxman L 4 Repair Recap 17

Luxman L 4 Repair Recap 18

Luxman L 4 Repair Recap 19

Luxman L 4 Repair Recap 20

Luxman L 4 Repair Recap 21

Luxman L 4 Repair Recap 22

Luxman L 4 Repair Recap 23

Luxman L 4 Repair Recap 24

Luxman L 4 Repair Recap 25

Luxman L 4 Repair Recap 26

Luxman L 4 Repair Recap 27

Luxman L 4 Repair Recap 28

Luxman L 4 Repair Recap 29

Luxman L 4 Repair Recap 30











































