TECHNICS
SU-V2A

Klacht:
Mooie Technics SU-V2A heeft wat problemen. Het linker kanaal geeft geen geluid. De schakelaars en potmeters kraken. De VU meter is half defect. Het signaal op rechts wordt tot 50% weergegeven.

Diagnose:
- Met twee donor versterkers zou een reparatie mogelijk moeten zijn. De vorige monteur heeft al eens wat STK modules uit China gehaald en diverse condensatoren en transistoren vervangen.
- Versterker doorgemeten en het lijkt erop dat de twee STK8040 modules nog werken. Ik meet geen kortsluiting en dat is het meest voorkomende probleem bij deze modules.
- Het relais uitgeslodeerd en nagemeten. Deze heeft zeer slachte contacten.
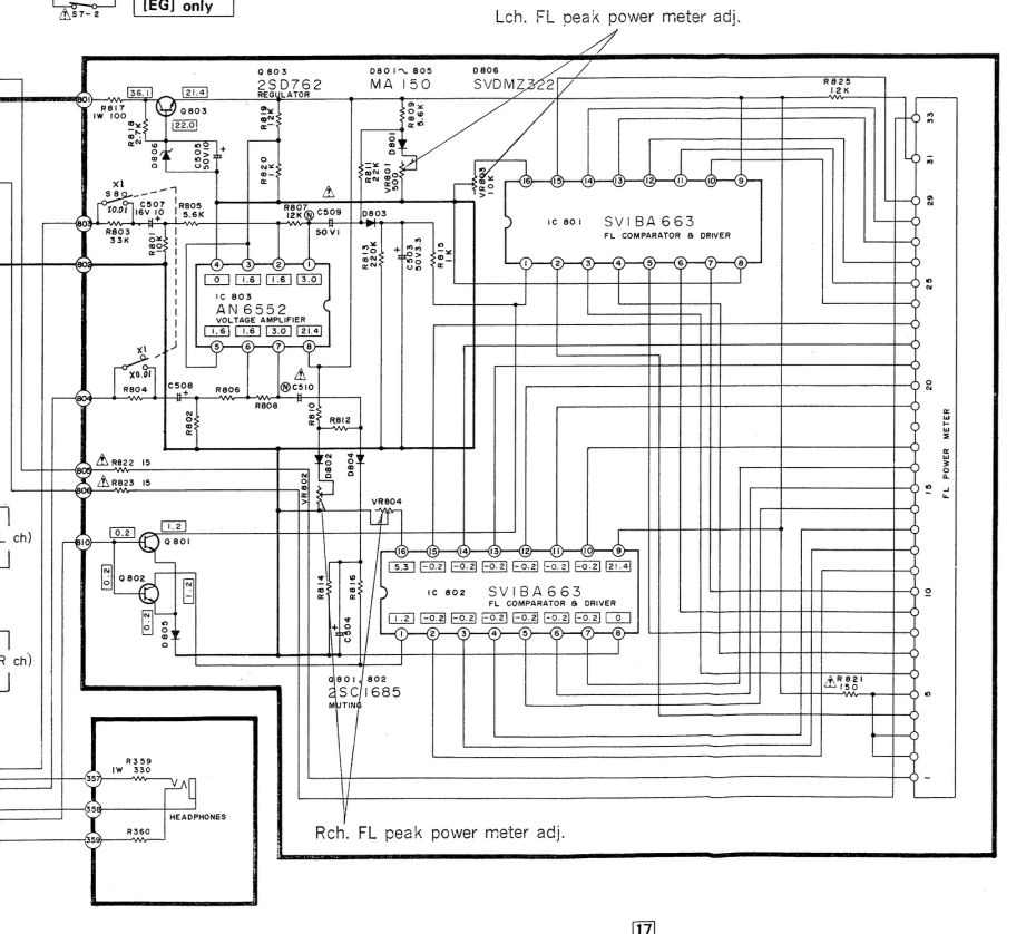
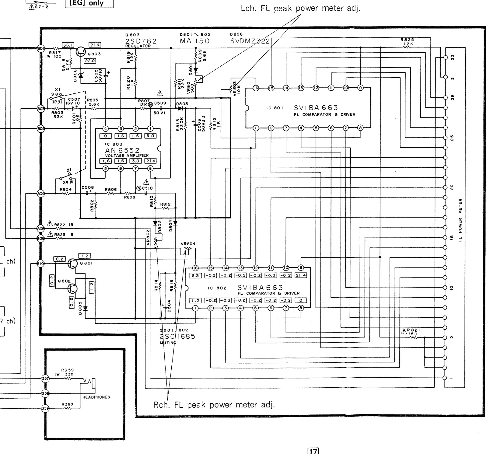
- VU meter print doorgemeten. De spanning pin 2 van ic802 - BA662 is geen 0,2V maar 14V.
- Binnenkant van de versterker is bijzonder vies.


Reparatie:
- Relais gereinigd met Deoxit D100 en D5. Overgangsweerstand is nu weer enkele mili ohm's.
- VU ic 802 vervangen door eentje vanuit de donor versterker.
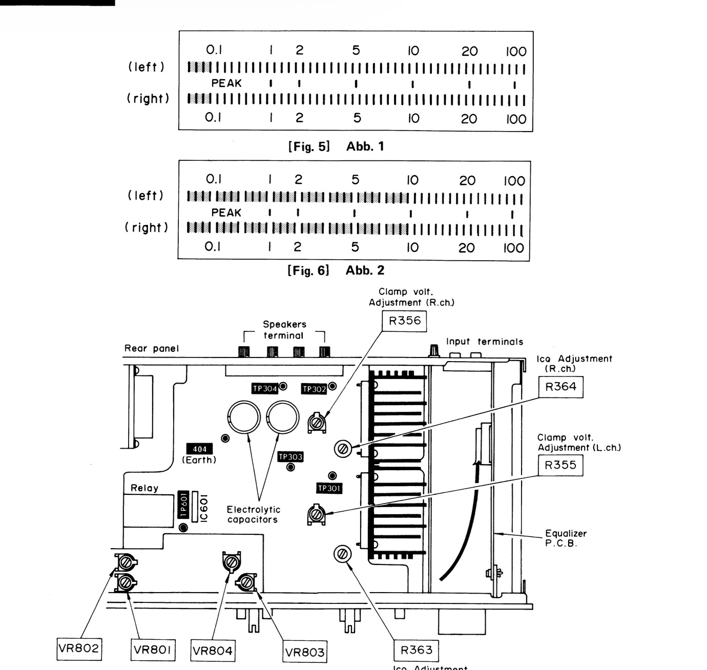
- Versterker opnieuw afgeregeld. Stond veel te hoog ingesteld.
- Schakelaars en potmeters gereinigd.
- Binnenkant schoongemaakt.
- Front en knoppen weer schoon.
Eindoordeel:
Wederom een Technics versterker met een STK module ter reparatie. Helaas zijn deze modules vaak defect door kortsluiting en vervangen is dan de enige oplossing. Inmiddels zijn de originele voorraden opgedroogd en ben je genoodzaakt een Chinees alternatief te gebruiken. Mijn ervaring is dat dit in 50% van de reparaties werkt.
Gelukkig bleek deze versterker nog goed werkende en originele STK8040 modules te hebben. De problemen met het linker kanaal werden veroorzaakt door een slecht relais en vieze schakelaars en potmeters.
Hoe klinkt deze Technics SU-V2A?
Mijn eerste nieuwe versterker was een Technics met STK040 module. Hij klonk goed maar bij hoger volume kon hij snel vervormen. Mijn ervaring met de STK's was dus niet zo positief. Maar... inmiddels kan ik melden dat ik een redelijke hoeveelheid STK modules heb mogen beluisteren en dat ik keer op keer aangenaam verrast wordt van het goede geluid.
Zo ook deze SU-V2A versterker uit 1980. Deze Technics oogt weer fris en fruitig en klinkt ook zo. Op "ik blijf vrienden met mijn buren geluidsniveau" klinkt hij zeer aangenaam. Een tikkeltje warm wellicht (dempingsfactor 50) maar zeker niet vervelend en overdreven. Nee, dit is gewoon een heerlijke versterker uit de prachtige jaren 80. De digitale VU meters maakten hem in die tijd lekker modern en bij de tijd. De verlichting achter de NEW CLASS A vermelding is natuurlijk ook erg mooi bedacht. Met een simpel lampje trek je het ontwerp naar een hoger niveau. Goede marketing!
Kopen? Waarom niet?

Scherm Afbeelding 2026 03 01 Om 12 56 54

Scherm Afbeelding 2026 03 01 Om 12 57 14

Scherm Afbeelding 2026 03 01 Om 12 57 57

Technics SU V 2 A Versterker VU Reparatie 1

Technics SU V 2 A Versterker VU Reparatie 2

Technics SU V 2 A Versterker VU Reparatie 3

Technics SU V 2 A Versterker VU Reparatie 4

Technics SU V 2 A Versterker VU Reparatie 5

Technics SU V 2 A Versterker VU Reparatie 6

Technics SU V 2 A Versterker VU Reparatie 7

Technics SU V 2 A Versterker VU Reparatie 8





































