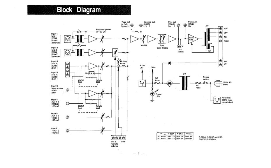
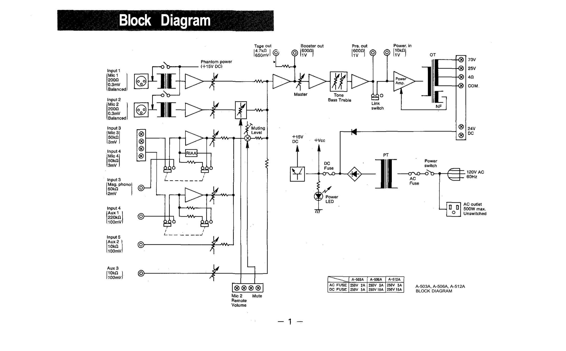
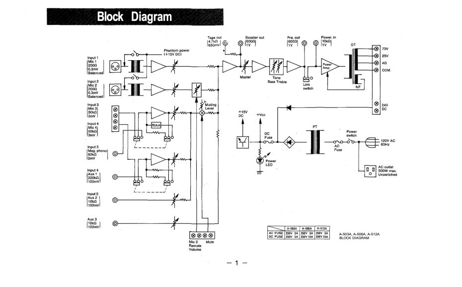
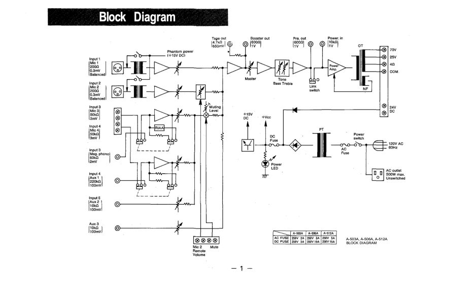
TOA
A-512E

Klacht:
Bekende ouderdomskwalen: Potmeters kraken.

Diagnose:
- Versterker A-512E is erg stoffig aan de binnenkant
- Alle in- en uitgangen moeten gereinigd worden.
- Beker elco oogt bol te staan maar dat is slechts het zwarte kapje.
- Potmeters zijn vies.


Reparatie:
- Potmeters gereinigd met IPA en daarna beschermd met deoxit.
- Alle 5 polig DIN ingangen gereinigd.
- Versterker doorgemeten.





























































